Model 1213 Base Mount
Product Description
The 1213 Timer is a resistive, sensitive relay is based on the detection of various resistance values. Output pick-up occurs when both of the unit’s sensing probes come in contact with a material or liquid which provides a resistance value lower than the unit’s maximum sensitivity level.
Specifications
Input
Voltage: 120VAC
Frequency: 50/60 Hz
Tolerance (voltage): ± 15% of nominal
Power Consumption: 10 VA maximum
Transient Protection: Isolation transformer
Output
Type: Electromechanical relay
Rating: 10 A @ 240VAC maximum
Physical
Operating Temp: 0° to 50°C (32° to 120°F)
Mounting: Base Mount
Termination: Terminal blocks on face of timer
Housing: Metal
Wiring
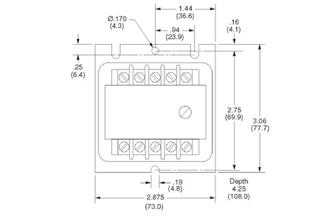
Dimensions
Ordering Data

| See also different: | Resistance Detectors, Voltage Detectors |


