Model 1248
Product Description
The 1248A is a self-contained combination proximity sensor and speed switch (motion detector), easy to install limit style unit.
Specifications
Input
Voltage: 20 to 250 VAC/DC
Frequency: 50/60 Hz or DC
Physical
Operating Temp: -25° to 70° C (-13° to 158° F)
Termination: 3-Pin mini-style connector
Wiring
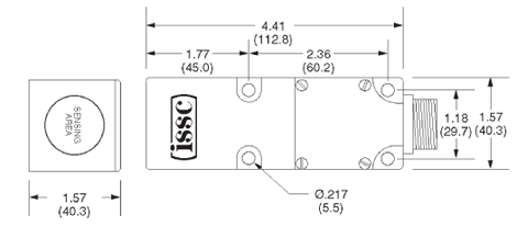
Dimensions
Ordering Data

| See also different: | Delay Timers |


