Model 1248A – Prox/Speed switch
Product Description
The 1248A is a self-contained combination proximity sensor and speed switch (motion detector), easy to install limit style unit. Two-wire circuit is wired in same manner as a limit switch. A plug-in receptacle saves wiring time. There are three user selectable speed ranges that cover 5 through 7500 pulses per minute and an adjustable start time delay of 0 to 20 seconds. An LED indicates that the output is energized and a target adjustment mode aids setup.
Specifications
Input
Voltage: 20 to 250 VAC/DC
Frequency: 50/60 Hz or DC
Transient Protection: MOV
Leakage: ? 2mA
Output
Max Load Current: 500 mA (continuous)
Output Voltage: ? 9 Volts (with resistive load max. load current)
Max Inrush Current: 7 A
Min Load Current: 5 mA
Physical
Operating Temp: -25° to 70° C (-13° to 158° F)
Mounting: Fire-retardant ABS/polycarbonate blend
Termination: 3-Pin mini-style connector
Environmental Rating: NEMA 1,3,4,6,12,13,IP67
Sensing
Sensing Distance: 12.7mm (0.5 in)
Target Size: 40mm x 40mm mild steel
Wiring
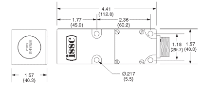
Dimensions
Ordering Data
![]()
| See also different: | Inductive Proximity Switches, Limit Style Sensors, Motion Sensors |


